河北锐锌环保设备有限公司
河北锐锌环保

一、用途及特点:
气浮技术近年来广泛应用于给排水及废水处理中,它可以有效去除废水中难以沉淀的轻浮絮体、絜凝的胶体物质、油类物质等。
1、处理能力大、效率高、占地少。
2、工艺过程及设备构造简单,便于使用、维护。
3、能消除污泥膨胀。
4、气浮时向水中曝气,对去除水中的表面活性剂及臭味有明显效果,同时由于曝气增加了水中的溶解氧,为后续处理提供了有利条件。
二、型号意义:

三、主要技术参数
气浮设备处理能力可分为:3、5、10、20、30、40、50、60、80、100、150、200、250、300m³/h等。
四、经气浮处理后污染去除率参数表


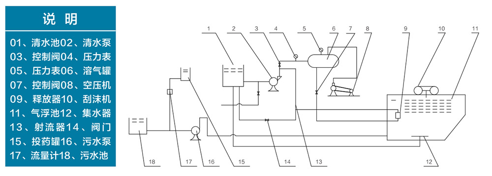
五、工作原理
经加药反应后的污水进入气浮机的混合区。与释放后的溶气水混合接触,使絮体粘附在细微气泡上,然后进入气浮区,絮凝体在气浮力的作用下浮向水面形成浮渣,下层的清水经集水器流至清水池后,一部分回流作溶气水使用,剩余清水通过溢流口流出。气浮池水面上的浮渣聚集到一定厚度以后,由刮沫机刮入气浮机污泥池后排出。
